
KEITH
Found these videos very knowledgeable and helpful. Thanks for all the time and effort you put into them it is well appreciated.
[Editors Note: I’d like to thank Mike Potts (@aston2209) for contributing his time and knowledge in writing this article – Thanks Mike!]
Hi Keith – If you’re still having problems with your hooter (horn, honker, etc) then the following may be of interest. Your hooter is located behind the plastic panel under the engine compartment slam panel as shown here.

You can learn how to remove the engine slam panel by checking this article.
I would first check the fuse in the Engine bay fuse box it is fuse F11 (15A) the extract from the manual below shows where the fuse box can be found.

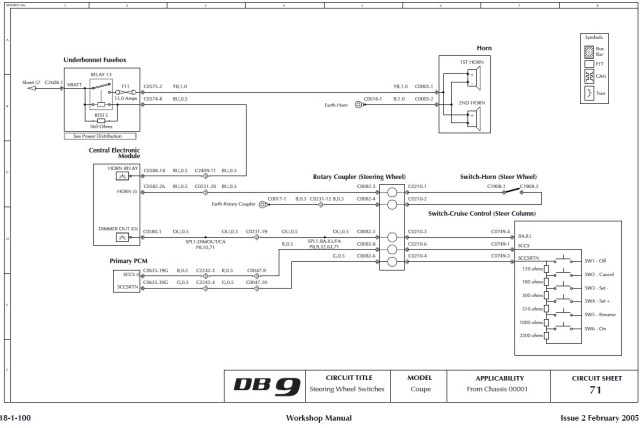
You can also follow the circuit diagram below if you need to check if there are other possible problems. I would however suggest that if the fuse is not blown then the problem most probably lies with the air horns themselves.

The video included in this article shows where to find the air horns and how to remove them. You can test the horns once removed by connecting them to an external 12V battery if the air horns work when connected to the battery then you have a fault in the Aston’s wiring/systems so you must use the information herewith to try to trace the fault.
Mike (Aston 2209)
Take a look at the short video to see it in more detail.